





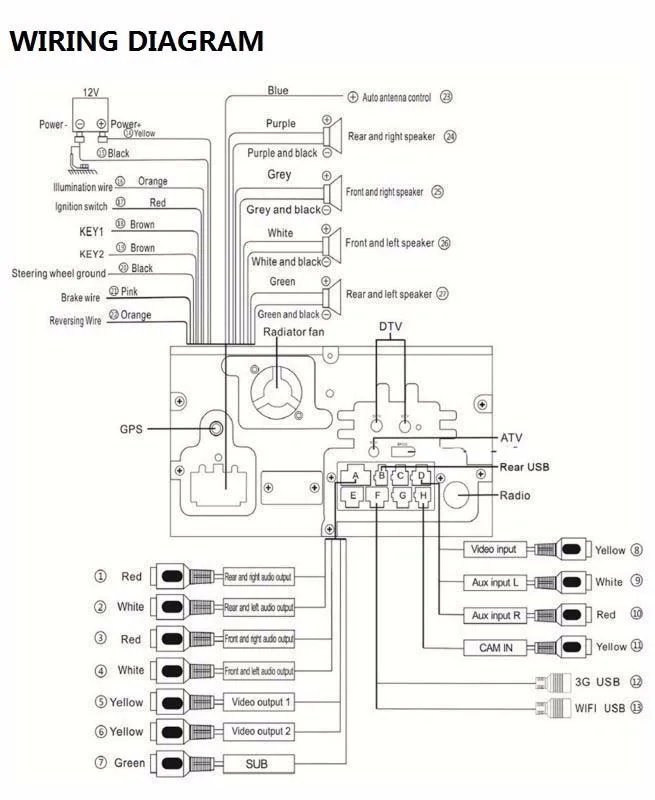
Quad Core 1024*600 Android 5.1Car DVD GPS Navigation Player forSUZUKI Vitara2015with RadioBluetooth Wifi/3G steering wheel control Remote Suitable For Car: For SUZUKI Vitara2015 Advantages: 1.The Car DVD Player supports 3G/Wifi and Bluetooth:You can enjoy Online Entertainment(support online video(HD), TV, movie, music, radio, YouTube, Yahoo, MSN...)and Online Communication(Web Chat, Twitter, Face book, Google+, Gtalk, Gmail and other services), surfing online and watch video on this vehicle multimedia player , give you more fun when you driving . 2.The GPS navigationsupports VOICE PROMPT :We will attach a 8G SD card with the newest map of your country. With the voice navigation, you never will be lost on travelling, bring safety to you and your family. 3.1G RAMQuad CoreAndroid5.1Car Stereo:large memorymake the latest android system smooth and steady. This car radio supports digital TV,Car rear view camera,DVR,OBD,DABbox....More optional functions give you better experience. 4.Mirrorlink is built-in the car multimedia player:you can operatemobile APPson the screenof head units with wireless connection, more convenient. 5.The Car DVD unit is Plug and Play:The devicewill come with all necessary cables, it is easy to install and no need to cut cables , and support 1 year warranty. System and Hardware Parameters : OS Android 5.1.1 CPU RK31881.6GHz Cortex A9 QuadCORE RAM SAMSUNG DDR3 1GB Flash 16GB Radio FM/AM GPS SIRF III Screen Capacitive and multi-touch screen Resolution 1024*600 TFT drive IC RK3188 Loader FORYOU DL-30 Pick up HITACHI 860XH motor drive MABUCHI Amplifer IC TOSHIBA 7850 DVD decoder IC Sunplus 8202VGQ Radio IC ST TDA7706/NXP 6686 Power supply 4*50W Bluetooth Free Wing FM3507 Video Decoder 1080P HW WIFI BUILT IN DVR USB Camera (PC Standard) Detailed Parameters: 1. Pure Android 5.1.1 2. CPU: Cortex A9 QuadCore, 1.6GHZ 3. RAM (Memory): 1GB DDR3 4. Inland Flash: 16GB 5. Support 1080P+Support Lossless music 6. Support Steering Wheel Control (If your car has it) 7. Bluetooth Phonebook Search from "A to Z" 8. Capacitive Multi-touch screen 9. Wifi Built-in, Do not need connect external Wifi Dongle, Can get WLAN 10. OSD Language: English/ Russian/ French/ German/ Spanish/ Italian/ Arabic/ Portuguese/Turkish/Thai/Polish/Hebrew etc over 20 kinds language 11. Support Google Maps online Navigating, you can use GPS Navigating if you in Internet. Support Android Maps Navigation, Free 8GB TF Card with maps will be in parcel contents included. Support Dual Zone function, while Navigating you can listen music 12. Support A2DP Bluetooth, can play stereo music through Bluetooth from your Phone 13. Download phone book function, you can download contact information from your phone to this unit 14. Support the newest Phone Book Search, you can search&find a contact member in downloaded phone book,just input the first letter of name, you will find some associated names, then you can choose the right one 15. Radio Tuner with RDS, 30 Preset Radio Stations (FM: 3*6, AM: 2*6) 16. USB Port and Micro SD Slot, Support USB Stick and Memory Card up to 32GB 17. Built-in Car DVR System, just connect with a USB Camera to use Car Record function. The records will be saved in GPS card automatically, and you can play saved record on this unit directly. 18. Support External MPEG2/MPEG4/ISDB-T Box input T2, Touch Control and Power supply (Optional) 19. Support Rear View Camera input and reverse trigger Control CAN BUS(optional)ifyouneedpleasecontactus! please contact us IF YOU NEED any one ofFollow OptionalFunctions : Optional parts: ISDB-T DVB-T MPEG4 DVR OBD MIRROR LINK(both way) is free , the DVD include this function REVERSE CAMERA Camera Wireless Receiver and Transmitter Parrot Bluetooth DAB Box TPMS Free Map(Please let know when you plece order ) 1) Europe Country : Italy, United Kingdom, Cyprus, San Marino, Liechtenstein, Luxembourg, Romania, France, Vatican, Albania, Ireland Estonia, Andorra, Austria, Belarus, Belgium ,Bulgaria ,Bosnia and Herzegovina, Poland, Denmark,Germany,Russia, Finland,Netherlands, Montenegro, Czech, Republic Croatia Latvia Lithuania Malta Macedonia Moldova Monaco Norway Portugal Sweden Switzerland ,Serbia,Slovakia, Slovenia,Spain, Greece, Hungary,Gibraltar. and Russia , Turkey ,Ukraine. 2) America : United States ,Mexico, Colombia,Brazil, Canada, Argentina, Uruguay, Chile, Costa Rica. 3) Asia: India, Indonesia, Malaysia, Philippines, Thailand, Singapore, Brunei,Taiwan, Hong Kong.... 4) Middle East Support Arabia Language: Oman, Qatar, Kuwait, Israel, Saudi Arabia, United Arab Emirates, Jordan, Bahrain. 5) Australia and Africa: Australia, New Zealand, South Africa ,Egypt, Morocco, Nigeria Package Contains : 1 xDVD player 1 xRemote Control 1 xUSB Connector 1 xGPS antenna 1x Power Cable 1 x8G SD Card+ GPSMap 























Tidak ada komentar:
Posting Komentar